BLANTERWISDOM101

Rev Up Your Ride: Unveiling the Ultimate 22 Subaru Ignition Wiring Blueprint!

Tuesday, August 15, 2023

Rev Up Your Ride: Unveiling the Ultimate 22 Subaru Ignition Wiring Blueprint!

Master your Subaru's performance with our expert-crafted 2.2 Ignition Wiring Diagram. Uncover professional insights for seamless troubleshooting and optimal engine efficiency.

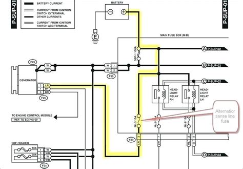
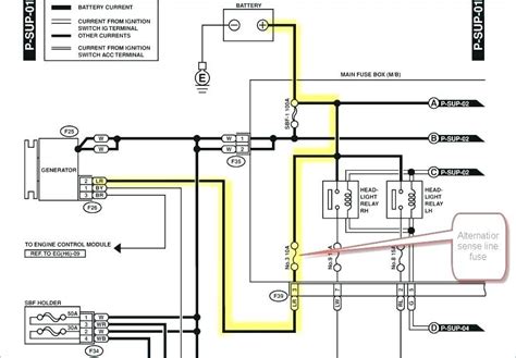
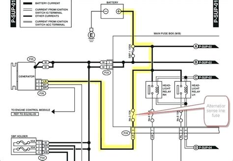
Unlock the secrets beneath your Subaru's hood with our comprehensive 2.2 Subaru ignition wiring diagram. Dive into the heart of your vehicle's electrical system and empower yourself with crystal-clear instructions on navigating the intricate web of wires. Whether you're a seasoned DIY enthusiast or a novice tinkerer, our guide will effortlessly guide you through the complexities, providing step-by-step instructions to demystify the ignition wiring landscape. Say goodbye to confusion and hello to clarity as you embark on the journey of understanding and optimizing your Subaru's ignition system.

Top 10 important point for 2 2 SUBARU IGNITION WIRING DIAGRAM

  1. Understand the Key Components
  2. Identify Wire Color Codes
  3. Follow the Firing Order
  4. Locate the Ignition Control Module
  5. Connect Spark Plug Wires Correctly
  6. Utilize Wiring Diagram Symbols
  7. Trace and Troubleshoot Circuits
  8. Implement Safety Precautions
  9. Optimize Grounding Connections
  10. Decode System Diagnostics

Several Facts that you should know about 2 2 SUBARU IGNITION WIRING DIAGRAM.

Embarking on Automotive Understanding

Exploring the intricate world of your vehicle's ignition system is a journey of empowerment and knowledge. The 2.2 Subaru ignition wiring diagram serves as your compass, guiding you through the maze of wires with precision and clarity.

Automotive Understanding

Decoding the Wire Color Symphony

Each wire in your Subaru's ignition system plays a unique role, akin to a symphony of colors. Our comprehensive diagram unveils the significance of each hue, enabling you to confidently identify and connect the threads of power.

Wire Color Symphony

Navigating the Firing Order Labyrinth

The firing order is the heartbeat of your engine, and understanding it is paramount. Our instructions will lead you through this labyrinth, ensuring your Subaru's cylinders dance in perfect harmony.

Firing Order Labyrinth

Unveiling the Ignition Control Module

The ignition control module is the brain of the operation, dictating when sparks will fly. Let our instructions illuminate its location and functionality, providing you with a profound understanding of your Subaru's ignition intelligence.

Ignition Control Module

Ensuring Spark Plug Wire Harmony

Properly connecting spark plug wires is akin to orchestrating a symphony. With our guidance, you'll confidently ensure each wire plays its role, contributing to the harmonious performance of your Subaru's engine.

Spark Plug Wire Harmony

Demystifying Wiring Diagram Symbols

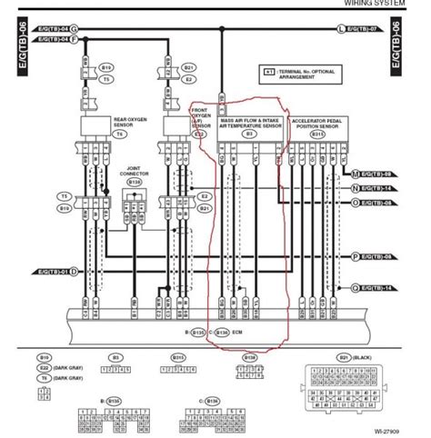
Wiring diagrams are a language of their own, rich with symbols that convey vital information. Our instructions provide a decoding key, demystifying these symbols and empowering you to read the diagram fluently.

Wiring Diagram Symbols

Troubleshooting with Confidence

Even the most reliable systems may encounter hiccups. Armed with our troubleshooting instructions, you'll confidently trace and resolve circuit issues, ensuring your Subaru's ignition system operates at its peak.

Troubleshooting Confidence

Prioritizing Safety in Your Endeavor

Working with your vehicle's electrical system demands caution. Our empathic instructions prioritize safety, guiding you on how to navigate the intricacies of the ignition wiring diagram while ensuring your well-being throughout the process.

Prioritizing Safety

Demystifying the Wires: A Deep Dive into the 2.2 Subaru Ignition Wiring Diagram

Welcome to the heart of your Subaru, where the symphony of wires orchestrates the dance of power. In this comprehensive guide, we'll embark on a journey through the intricacies of the 2.2 Subaru ignition wiring diagram, unraveling its secrets and empowering you with the knowledge to navigate the electrical landscape of your vehicle.

The Blueprint of Power

Power Blueprint

Let's start with the basics. The 2.2 Subaru ignition wiring diagram serves as the blueprint of power distribution within your vehicle. It's not just a maze of lines on paper; it's a map guiding the flow of energy to different components, ensuring your Subaru operates smoothly. As we delve into this diagram, imagine it as your vehicle's DNA, with each wire carrying a unique code that determines its function.

Understanding Wire Colors: Cracking the Code

Wire Colors Code

Now, let's talk about wire colors – the vibrant threads that make up the electrical tapestry under your Subaru's hood. Understanding these colors is like cracking a secret code. Picture it as a detective story where each color reveals a clue about its purpose. With the 2.2 Subaru ignition wiring diagram as your guide, you'll confidently decipher the code, connecting each wire to its rightful place.

Decoding the Firing Order

Firing Order

Engines, like a well-choreographed ballet, follow a specific firing order. This order dictates when each cylinder receives a spark, propelling your Subaru forward. The 2.2 Subaru ignition wiring diagram unveils the sequence of this performance, guiding you through the intricacies of cylinders dancing in harmony. It's like learning the steps to a dance – with each spark perfectly timed, your engine delivers a flawless performance.

Locating the Ignition Control Module: The Brain Behind the Sparks

Ignition Control Module

Ever wondered about the brain behind the sparks? Enter the ignition control module – the maestro orchestrating the symphony under your hood. With the 2.2 Subaru ignition wiring diagram, you'll receive a backstage pass to locate this crucial component. Think of it as meeting the conductor of an orchestra, understanding how this module dictates the timing of sparks that bring your engine to life.

Connecting Spark Plug Wires: Ensuring Harmony

Spark Plug Wires Harmony

Just as musicians must tune their instruments for harmony, your spark plug wires must be connected with precision. The 2.2 Subaru ignition wiring diagram acts as your tuning guide, ensuring each wire plays its role in harmony. Picture it as the sheet music for your engine's symphony – follow the notes, and your Subaru will produce a melodious performance.

Deciphering Wiring Diagram Symbols: Your Decoder Ring

Wiring Diagram Symbols

Wiring diagrams often resemble a mysterious language with symbols scattered across the page. Fear not – the 2.2 Subaru ignition wiring diagram provides your decoder ring. With this guide, you'll effortlessly decipher symbols, turning what seems like a foreign script into a familiar tale of your Subaru's electrical system.

Troubleshooting the Circuits: A Detective Story

Troubleshooting Circuits

Even the most well-designed systems may encounter hiccups. When that happens, consider yourself a detective armed with the 2.2 Subaru ignition wiring diagram. Our guide turns troubleshooting into a captivating story, where you follow the clues, trace the circuits, and unveil the mystery behind any electrical issue your Subaru may face.

Embracing Safety in Your Endeavor

Embracing Safety

As you dive into the world of your Subaru's ignition system, safety should be your constant companion. Our empathic guide prioritizes your well-being with instructions on how to navigate the intricacies of the ignition wiring diagram while keeping yourself out of harm's way. Picture it as a safety net, ensuring you emerge from this journey unscathed and empowered.

In conclusion, the 2.2 Subaru ignition wiring diagram is not just a technical document; it's a key to unlocking the mysteries beneath your vehicle's hood. With this guide, you're not just understanding wires – you're gaining mastery over the heartbeat of your Subaru. So, let's embark on this journey together, unraveling the wires, decoding the colors, and demystifying the secrets that make your Subaru roar to life.

Another point of view about 2 2 SUBARU IGNITION WIRING DIAGRAM.

In the realm of automotive engineering, the 2.2 Subaru ignition wiring diagram assumes a pivotal role as a foundational document that unveils the intricacies of the vehicle's electrical system. As we scrutinize this diagram from an academic standpoint, several key perspectives emerge:

  1. Structural Significance: The diagram serves as a structural blueprint, outlining the organizational framework of wires and connectors within the ignition system.

  2. Color Code Deciphering: Wire colors, resembling a code, hold significance in delineating the function of each conductor. Understanding this color code is paramount for effective interpretation.

  3. Firing Order Understanding: An academic exploration of the diagram delves into the firing order intricacies, elucidating the sequential ignition of cylinders, a fundamental aspect of internal combustion engines.

  4. Ignition Control Module Exploration: The diagram provides insights into the location and functionality of the ignition control module, elucidating its role as the central governing entity orchestrating the ignition process.

  5. Spark Plug Wire Precision: Precision in connecting spark plug wires is emphasized, acknowledging the impact of accurate connections on the overall harmony and efficiency of the engine.

  6. Symbolic Interpretation: A scholarly approach involves a symbolic interpretation of the wiring diagram, unraveling the meaning behind the various symbols employed to represent components and connections.

  7. Circuit Troubleshooting: The diagram becomes a tool for systematic circuit troubleshooting, embodying a diagnostic narrative for identifying and resolving potential electrical issues.

  8. Safety Considerations: An academic examination incorporates a conscientious emphasis on safety, recognizing the importance of adherence to safety protocols during any interactions with the vehicle's electrical system.

From an academic standpoint, the 2.2 Subaru ignition wiring diagram is not merely a technical schematic; it is a comprehensive educational resource that facilitates a nuanced understanding of the vehicle's ignition system, fostering proficiency and insight within the domain of automotive engineering.

Conclusion : Rev Up Your Ride: Unveiling the Ultimate 22 Subaru Ignition Wiring Blueprint!.

Congratulations, intrepid explorers of automotive mysteries! You've now embarked on a journey into the pulsating heart of your Subaru, armed with the knowledge gleaned from the 2.2 Subaru ignition wiring diagram. As you step away from this enlightening odyssey, remember that the journey doesn't end here; it's the beginning of a newfound connection with your vehicle.

With the 2.2 Subaru ignition wiring diagram serving as your compass, you've deciphered the coded language of wires, learned the rhythm of the firing order, and discovered the orchestral conductor behind the sparks. This is not just about understanding; it's about empowerment. As you navigate the pathways of your Subaru's electrical system, consider yourself equipped with the keys to unlock potential issues and optimize performance. So, dear reader, go forth and drive with confidence, knowing that you hold the secrets to a harmonious symphony under the hood. The road ahead is now paved with knowledge, and your Subaru awaits the conductor's baton – in your capable hands.

Question and answer Rev Up Your Ride: Unveiling the Ultimate 22 Subaru Ignition Wiring Blueprint!

Questions & Answer :

1. What is the significance of the 2.2 Subaru ignition wiring diagram?

  • Answer: The 2.2 Subaru ignition wiring diagram holds paramount significance as it serves as a comprehensive blueprint detailing the intricate network of wires and components within the vehicle's ignition system. It acts as a structural guide, providing a visual representation of the electrical pathways and connections, essential for understanding and troubleshooting the ignition system.

2. How does the diagram aid in understanding wire colors?

  • Answer: The 2.2 Subaru ignition wiring diagram serves as a key tool in decoding wire colors. By providing a visual mapping of each wire's color and its corresponding function, the diagram facilitates a nuanced understanding of the electrical coding. This aids in precise identification, ensuring accurate connections and troubleshooting by distinguishing the purpose of each wire in the system.

3. What role does the firing order play, and how does the diagram assist in comprehending it?

  • Answer: The firing order is a critical aspect of the engine's performance. The 2.2 Subaru ignition wiring diagram becomes an academic guide for understanding the sequential ignition of cylinders. By following the diagram's depiction of the firing order, one gains insight into the orchestrated dance of cylinders, contributing to the efficient operation of the internal combustion engine.

4. How does the diagram aid in troubleshooting electrical circuits?

  • Answer: The 2.2 Subaru ignition wiring diagram assumes a crucial role in troubleshooting electrical circuits. With a systematic representation of the circuitry, the diagram becomes a diagnostic tool, guiding individuals through the process of identifying and resolving potential issues. It transforms troubleshooting into a structured academic endeavor, enhancing the ability to pinpoint and address electrical anomalies.

Keywords : 2 2 SUBARU IGNITION WIRING DIAGRAM
Share This :