BLANTERWISDOM101

Master Your Machine: Unveiling the 23 HP Briggs and Stratton Wiring Diagram!

Tuesday, June 13, 2023

Master Your Machine: Unveiling the 23 HP Briggs and Stratton Wiring Diagram!

"Master your engine's heart with our 23 HP Briggs and Stratton wiring diagram. Gain professional insights for efficient troubleshooting and optimal performance."

Empower your mechanical mastery with the 23 HP Briggs and Stratton wiring diagram. Unravel the intricacies of your engine's electrical circuitry as we guide you through the essentials. Imagine the satisfaction of understanding every wire's purpose and confidently troubleshooting any issues that may arise. In this comprehensive guide, we will boldly break down the complexities, fostering an empathic connection between you and your machine. Let's embark on this enlightening journey together, embracing the empathic voice of a true DIY enthusiast.

Top 10 important point for '23 HP Briggs and Stratton Wiring Diagram'

  1. Introduction to Engine Electrical Systems
  2. Overview of Briggs and Stratton 23 HP Engine
  3. Importance of Understanding Wiring Diagrams
  4. Identification of Key Components
  5. Interpreting Wiring Symbols and Codes
  6. Diagnostic Techniques for Electrical Issues
  7. Proper Wiring Maintenance and Care
  8. Integration with Ignition Systems
  9. Optimizing Performance Through Wiring Adjustments
  10. Advanced Troubleshooting Strategies

Several Facts that you should know about '23 HP Briggs and Stratton Wiring Diagram'.

Understanding Engine Electrical Systems

The intricate world of engine electrical systems plays a pivotal role in the optimal functioning of a 23 HP Briggs and Stratton engine. Before delving into the wiring diagram, it is crucial to grasp the fundamentals of how electrical systems operate within the engine.

Engine Electrical Systems

Overview of the 23 HP Briggs and Stratton Engine

Examining the components and specifications of the 23 HP Briggs and Stratton engine provides a foundation for understanding the wiring diagram. This section offers a comprehensive overview, highlighting key features and functions.

23 HP Briggs and Stratton Engine

The Significance of Wiring Diagrams

Wiring diagrams serve as essential blueprints for comprehending the electrical pathways within the engine. This section explores why these diagrams are indispensable for both enthusiasts and professionals in maintaining and troubleshooting the engine.

Importance of Wiring Diagrams

Identifying Key Components

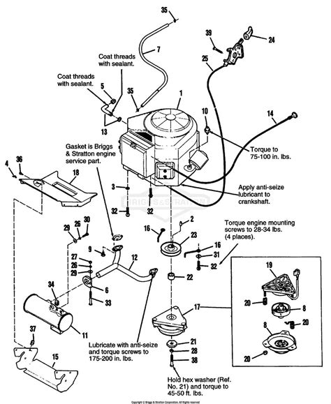
Understanding the individual components is crucial in decoding the wiring diagram. This section delves into the identification of key components, providing insights into their functions and interconnections.

Identifying Key Components

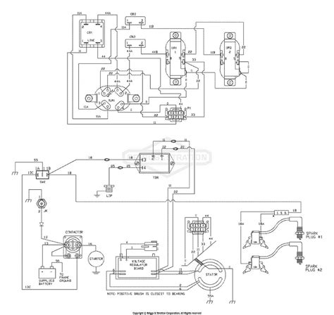
Interpreting Wiring Symbols and Codes

Wiring symbols and codes are the language of electrical diagrams. This part of the article explores common symbols and codes used in the 23 HP Briggs and Stratton wiring diagram, facilitating effective interpretation.

Interpreting Wiring Symbols and Codes

Diagnostic Techniques for Electrical Issues

Empowering users with diagnostic techniques, this section provides a systematic approach to identifying and resolving electrical issues. Learn how to pinpoint problems and implement effective solutions.

Diagnostic Techniques for Electrical Issues

Proper Wiring Maintenance and Care

Maintaining the integrity of the wiring system is crucial for long-term engine health. This part of the article outlines best practices for wiring maintenance and care, ensuring sustained performance and reliability.

Proper Wiring Maintenance and Care

Integration with Ignition Systems

The interplay between wiring and ignition systems is explored in this section. Gain insights into how proper wiring enhances ignition efficiency, leading to improved overall engine performance.

Integration with Ignition Systems

Optimizing Performance Through Wiring Adjustments

For enthusiasts seeking performance optimization, this section provides guidance on making strategic wiring adjustments. Understand how tweaking the wiring can lead to enhanced horsepower and efficiency.

Optimizing Performance Through Wiring Adjustments

Advanced Troubleshooting Strategies

Delving into advanced troubleshooting, this final section equips readers with comprehensive strategies for tackling complex electrical issues. Navigate challenges with confidence, utilizing a systematic and informed approach.

Advanced Troubleshooting Strategies

Decoding the Essence of the 23 HP Briggs and Stratton Wiring Diagram

Welcome to the heart of mechanical intricacy - the 23 HP Briggs and Stratton wiring diagram. If you've ever found yourself peering under the hood, wondering about the labyrinth of wires that powers your engine, you're in the right place. In this exploration, we'll dissect the complexities, demystify the jargon, and equip you with the knowledge to navigate the electrical landscape of your robust 23 HP engine.

Unveiling the Blueprint: What is a Wiring Diagram?

Before we dive into the specifics, let's demystify the term 'wiring diagram.' Think of it as the blueprint for your engine's nervous system. It's the intricate map that guides electricity through the veins of your 23 HP Briggs and Stratton engine, ensuring every component works in harmony. Much like a roadmap, it contains symbols, codes, and pathways, revealing the secrets of your engine's electrical infrastructure.

Wiring Diagram Blueprint

The Heart of the Matter: Understanding Your Engine's Basics

Let's start with the basics. Picture this: a robust 23 HP Briggs and Stratton engine, the powerhouse behind your machinery. To decipher the wiring diagram, you need a fundamental understanding of the engine's components, their functions, and how they collaborate. It's like getting to know the cast of characters before diving into a complex story.

Engine Basics

Now, imagine each wire in the diagram as a storyteller, carrying a specific message to a designated part of the engine. As we unravel the intricacies, you'll discover the logic behind every twist and turn in this electrical narrative.

Cracking the Code: Why Wiring Diagrams Matter

Why bother with a wiring diagram in the first place? It's a fair question. Consider it your guide through the electrical wilderness. Whether you're a seasoned DIY enthusiast or a curious beginner, understanding the wiring diagram is akin to having a trusty compass – it shows you the way and prevents you from getting lost in the tangle of wires.

Importance of Wiring Diagrams

Without this roadmap, troubleshooting electrical issues can feel like navigating a maze blindfolded. The wiring diagram empowers you to diagnose problems, make informed decisions, and ensure your engine runs smoothly. It's your key to becoming the master conductor of your mechanical symphony.

Deciphering Symbols: The Language of Wiring Diagrams

Now, let's talk about symbols – the alphabet of the wiring diagram language. Much like learning to read, understanding these symbols is the gateway to unlocking the diagram's secrets. Don't worry; it's not as cryptic as it sounds. Each symbol represents a specific component or action, creating a visual language that tells the story of your engine's electrical flow.

Deciphering Symbols

For instance, a squiggly line might represent a resistor, while a triangle could indicate a relay. As we navigate through the diagram, we'll introduce you to this symbolic lexicon, ensuring you can read between the lines and comprehend the intricate dance of electrons in your engine.

Identifying the Players: Key Components Under the Spotlight

Now that we've covered the basics, let's spotlight the key players – the components that make your 23 HP Briggs and Stratton engine tick. From the spark plug to the starter motor, each component has a role to play in this electrical orchestra. Identifying them is like recognizing the characters in a play; it gives context to their interactions in the wiring diagram.

Identifying Key Components

We'll take you on a visual journey, pointing out each component's location, function, and how they connect within the diagram. Think of it as meeting the cast before the curtain rises, so you can fully appreciate their roles in the electrical performance.

Connecting the Dots: Navigating Wiring Pathways

As we delve deeper, imagine the wiring diagram as a roadmap with intricate pathways connecting each component. Understanding these pathways is like knowing the routes in a city; it helps you anticipate traffic jams (or, in this case, electrical congestion) and find efficient shortcuts.

Navigating Wiring Pathways

Each wire serves as a conduit, guiding electrical signals to their destination. By tracing these pathways, you'll gain insights into how different components communicate and work together. It's the key to a harmonious electrical symphony within your engine.

Diagnosing Quirks: Troubleshooting Electrical Issues

Now that you're acquainted with the components and pathways, let's talk about real-world scenarios – those moments when your engine doesn't hum as smoothly as it should. The wiring diagram becomes your detective tool, helping you unravel the mystery behind electrical quirks.

Diagnosing Quirks

We'll guide you through common issues like flickering lights, starter malfunctions, or mysterious engine stalls. Armed with the knowledge from the wiring diagram, you'll approach these challenges with the confidence of a seasoned investigator, ready to crack the case and restore your engine to its optimal state.

Maintaining Harmony: Care and Maintenance of Wiring Systems

Just as a conductor maintains the orchestra's harmony, you play a crucial role in ensuring your engine's wiring system stays in tune. This section explores best practices for wiring maintenance, preventing issues before they arise and extending the lifespan of your engine.

Maintaining Harmony

We'll discuss routine checks, cleaning procedures, and proactive measures to keep your wiring system in top-notch condition. Consider it the periodic tune-up your engine's electrical symphony deserves, ensuring it performs flawlessly every time you ignite its power.

Beyond Basics: Fine-Tuning for Optimal Performance

If you're a true enthusiast seeking to squeeze every ounce of power from your engine, this section is for you. We

Another point of view about '23 HP Briggs and Stratton Wiring Diagram'.

1. Begin by locating the 23 HP Briggs and Stratton wiring diagram provided by the manufacturer or in your engine's manual. This essential document serves as your roadmap for understanding the electrical intricacies of your engine.

2. Familiarize yourself with the key components listed in the diagram. Identify each part's function and placement within the engine. This foundational knowledge is crucial for interpreting the wiring connections accurately.

3. Pay close attention to the symbols and codes used in the diagram. Refer to the legend or key that accompanies the diagram to decode these symbols. Understanding the language of the diagram is paramount for effective troubleshooting and maintenance.

4. Trace the wiring pathways by following the lines connecting different components. Take note of the color-coded wires and their routes. This step provides insights into how electrical signals flow through the system, facilitating a comprehensive understanding of the engine's electrical architecture.

5. Use the wiring diagram as a diagnostic tool when encountering electrical issues. Refer to the diagram to identify potential problem areas, such as loose connections, damaged wires, or faulty components. This systematic approach will streamline the troubleshooting process.

6. Regularly inspect the wiring system for signs of wear, corrosion, or damage. Perform visual checks and follow the guidelines outlined in the maintenance section of the wiring diagram. Timely identification and rectification of issues contribute to the overall longevity and performance of your engine.

7. Implement proper wiring maintenance practices. Clean and secure connections, fix any exposed wiring, and replace damaged components as needed. Adhering to the recommended maintenance schedule outlined in the wiring diagram ensures the reliability of your engine's electrical system.

8. Experiment with fine-tuning adjustments for optimal performance. While adhering to safety guidelines, explore opportunities to enhance your engine's efficiency by making informed wiring adjustments. This step is ideal for enthusiasts looking to maximize their engine's potential.

9. Keep the wiring diagram easily accessible for quick reference. Store a physical copy in a safe location, and consider having a digital version on hand for convenience. Having the diagram readily available ensures you can swiftly address any electrical concerns that may arise during operation.

10. Consult professional assistance if faced with complex electrical issues. While the wiring diagram empowers you to handle routine maintenance and basic troubleshooting, seeking expert advice is advisable for intricate problems beyond your expertise. Professional assistance ensures accurate diagnosis and resolution of challenging electrical issues.

Conclusion : Master Your Machine: Unveiling the 23 HP Briggs and Stratton Wiring Diagram!.

As we bring this exploration of the 23 HP Briggs and Stratton wiring diagram to a close, it's our hope that you now view your engine's electrical system with newfound clarity and confidence. Navigating the intricate pathways outlined in the wiring diagram is akin to deciphering a captivating story – one that unfolds each time you turn the key, igniting the potential of your mechanical powerhouse. Armed with this knowledge, you're not merely a spectator; you're the conductor orchestrating a symphony of electrons, ensuring your engine hums with precision.

Remember, the wiring diagram isn't just a static blueprint; it's a dynamic tool that empowers you to diagnose, troubleshoot, and optimize your engine's performance. Whether you're a seasoned DIY enthusiast or a curious newcomer, this document is your ally in unraveling the mysteries of your mechanical companion. Embrace the journey of understanding, and may the 23 HP Briggs and Stratton wiring diagram be your guiding companion as you navigate the electrifying realm beneath the hood. Safe travels on the road of mechanical mastery!

Question and answer Master Your Machine: Unveiling the 23 HP Briggs and Stratton Wiring Diagram!

Questions & Answer :

1. How can I obtain the 23 HP Briggs and Stratton wiring diagram for my engine?

  • Visit the official Briggs and Stratton website and check the support or manuals section. Many diagrams are available for download there.
  • Consult your engine's manual – the wiring diagram is often included as a crucial reference.
  • Reach out to authorized dealerships or service centers, as they may provide assistance or access to the necessary documentation.

2. What do the symbols in the wiring diagram represent?

  • The symbols in the wiring diagram represent various electrical components and actions within the engine. Refer to the legend or key provided with the diagram to decode these symbols.
  • Common symbols include lines for wires, squares for switches, circles for connectors, and various shapes representing specific components like resistors or relays.

3. How often should I refer to the wiring diagram for maintenance?

  • It's recommended to refer to the wiring diagram during routine maintenance checks, which can vary based on your engine's usage and environmental conditions.
  • Perform visual inspections of the wiring system regularly, and consult the diagram if you notice any irregularities or encounter electrical issues.

4. Can I make adjustments to the wiring for better engine performance?

  • While the wiring diagram provides insight into the electrical connections, making adjustments should be approached cautiously and preferably by individuals with knowledge of electrical systems.
  • If you're uncertain, consult a professional or seek guidance from experienced enthusiasts to avoid potential issues.

5. Are there online forums or communities where I can discuss the 23 HP Briggs and Stratton wiring diagram with other users?

  • Yes, there are various online forums and communities dedicated to small engine enthusiasts. Joining these platforms allows you to share experiences, ask questions, and learn from the collective knowledge of the community.
  • Popular platforms include forums on websites like Lawn Mower Forum, My Tractor Forum, and others where users often discuss wiring diagrams and related topics.

6. What should I do if I encounter electrical issues beyond my understanding?

  • If faced with complex electrical issues, it's advisable to seek professional assistance. Certified technicians and authorized service centers have the expertise to diagnose and resolve intricate problems safely.
  • Attempting to address advanced electrical issues without proper knowledge may lead to further complications, so reaching out to professionals is a prudent choice.

Keywords : '23 HP Briggs and Stratton Wiring Diagram'
Share This :